Proporcionamos una gama completa de soluciones de sellos estáticos que cubren productos especiales estándar de uso general y de alta presión. RCFL106/102 y RCK126 son modelos básicos con estructura simple y amplia aplicación; RCS130/131 y RCFL108 Adopta el diseño de instalación del diámetro exterior de extrusión para garantizar la estabilidad de la incrustación de surco; RCK120/127 y otros productos de series similares logran la misma confiabilidad a través de la instalación del diámetro interno de extrusión.
En respuesta a las necesidades de sellado de brida, RCF110 y RCR118 pueden tener presión en ambas direcciones, y la dirección de presión debe indicarse al ordenar. La línea de productos cubre completamente a baja presión en condiciones de trabajo de alta presión, y el material es resistente al desgaste y resistente a la corrosión, y se usa ampliamente en sistemas hidráulicos, conexiones de tuberías y sellado de equipos industriales.
Características y aplicaciones del producto:
Aplicación: Propósito general, sello de identificación, sello OD, sello axial
Especificaciones y ranuras tóricas
Tamaño de pedido
ΦD1 ...... diámetro interno
ΦD2 ...... diámetro de sección
Ejemplo de pedido
Modelo: RCFL106
Diámetro de la sección del diámetro interno: 14x1.8
Material: NBR
Solicitud
Presión desde el interior: la junta tórica se comprime desde el diámetro exterior
Presión del exterior: la junta tórica se comprime desde el diámetro interior
Las juntas tóricas tienen tolerancias de fabricación precisas. Las tolerancias permitidas se han estandarizado de acuerdo con DIN3771 e ISO3601/1 (diámetro de sección transversal de hasta 7 mm, diámetro interno de hasta 670 mm). Las tolerancias correspondientes se muestran en la siguiente tabla.
| Tolerancia a la sección | ||||||||
| Sección | 1.80 | 2.65 | 3.55 | 5.30 | 7.00 | 8.4 | 10.00 | 12.00 |
| Tolerancia | ± 0.08 | ± 0.09 | ± 0.10 | ± 0.13 | ± 0.15 | ± 0.18 | ± 0.21 | ± 0.25 |
| Tolerancia del diámetro interno | ||||||||||
| Diámetro interno | 1.80 ~ 6.30 | 6.70 ~ 11.20 | 11.8 ~ 21.2 | 22.4 ~ 40.0 | 41.2 ~ 80.0 | 82.5 ~ 160 | 165 ~ 300 | 300 ~ 650 | 670 ~ 910 | 910 ~ 1180 |
| Tolerancia | ± 0.13 | ± 0.16 | ± 0.19 | ± 0.95 | ± 0.86 | ± 0.78 | ± 0.74 | ± 0.67 | ± 0.60 | ± 0.65 |
| Porcentaje de diámetro interno correspondiente % | ||||||||||
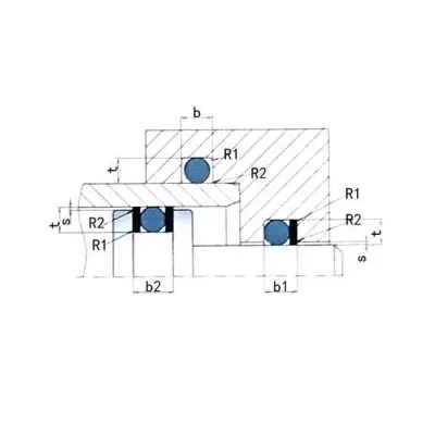
Tamaño de ranura
![]() |
||||||||||
| Sección D2 | Profundidad de ranura t | Unidad de ancho de ranura: mm (+0.20) | Radio R1 mm | |||||||
| mm | Estático | Dinámico (hidráulico) | Dinámico (neumático) | b Sin anillo de retención | B1 1 anillo de retención | b2 2 Anillos de retención | ||||
| 1.00 | 0.65 | ± 0.05 | 0.75 | ± 0.02 | 0.80 | ± 0.02 | 1.4 | 2.4 | 3.4 | 0.2-0.4 |
| 1.50 | 1.05 | 1.20 | 1.25 | 2.0 | 3.0 | 4.0 | 0.2-0.4 | |||
| 1.80 | 1.30 | 1.45 | 1.55 | 2.4 | 3.4 | 4.4 | 0.2-0.4 | |||
| 2.00 | 1.50 | 1.65 | 1.75 | 2.7 | 3.7 | 4.7 | 0.2-0.4 | |||
| 2.50 | 1.95 | 2.10 | 2.20 | 3.4 | 4.9 | 6.4 | 0.2-0.4 | |||
| 2.65 | 2.05 | 2.25 | 2.35 | 3.6 | 5.1 | 6.6 | 0.2-0.4 | |||
| 3.00 | 2.40 | 2.55 | 2.70 | 4.2 | 5.7 | 7.2 | 0.2-0.4 | |||
| 3.50 | 2.80 | ± 0.07 | 3.05 | ± 0.05 | 3.20 | ± 0.05 | 4.8 | 5.3 | 7.8 | 0.3-0.6 |
| 3.55 | 2.85 | 3.10 | 3.25 | 4.8 | 6.3 | 7.8 | 0.3-0.6 | |||
| 4.00 | 3.25 | 3.50 | 3.65 | 5.4 | 6.9 | 8.4 | 0.3-0.6 | |||
| 5.00 | 4.15 | ± 0.10 | 4.45 | 4.65 | 6.8 | 8.8 | 10.8 | 0.3-0.6 | ||
| 5.30 | 4.40 | 4.70 | 4.90 | 7.2 | 9.3 | 11.2 | 0.6-1.0 | |||
| 7.00 | 5.85 | 6.25 | 6.55 | 9.6 | 12.1 | 14.6 | 0.6-1.0 | |||
| 8.40 | 7.10 | 7.50 | 7.90 | 12.9 | 13.4 | 15.6 | 0.6-1.0 | |||











DIRECCIÓN
No.1 Ruichen Road, Parque Industrial Dongliuting, Distrito Chengyang, Ciudad de Qingdao, Provincia de Shandong, China
Teléfono
Correo electrónico