Nuestra serie RCS, a través de diseño profesional y producción técnica, satisface las diversas necesidades de los sellos de giro de sellos de la barra de pistón, proporcionando soluciones precisas desde escenarios generales hasta condiciones de trabajo extremas.
En términos de diseño estructural, los modelos básicos se centran en la estabilidad y la facilidad de uso: RCS101/103 mejora la estabilidad de la incrustación a través de juntas tóricas previas o labios auxiliares, especialmente para golpes cortos; RCS102/104R/117R admite presiones más altas mediante la optimización de la compatibilidad de material y ranura (como RCS102R para escenarios de alta presión de ritmo estándar). Para los sistemas neumáticos, RCS105/205 adopta un diseño especial de labios para mantener una película de aceite lubricante y adaptarse a entornos de lubricación/no lubricación.
Ruichen Seals también se centra en la innovación material e funcional. Los modelos como RCS118/119/124-129 usan politetrafluoroetileno (PTFE) o poliuretano como el cuerpo principal, combinado con resortes de Mander o juntas tóricas para equilibrar la presión, para lograr la baja fricción, el desgaste anti-seco y la resistencia a la corrosión, cumpliendo con los requisitos de limpieza y resistencia a la alta temperatura de los equipos químicos y de relleno de alimentos. RCS129 puede formar un sistema de sellado con RCS101, que es adecuado para maquinaria para caminar y equipos hidráulicos pesados; RCS126-128 optimiza el sellado de baja presión a través del diseño asimétrico en V-piezas y se personaliza para la industria farmacéutica y química.
Para condiciones de trabajo complejas, RCS120/138 y otros sellos de doble acción tienen un diseño integrado del anillo de soporte, que es resistente a la alta presión y la distorsión y se adapta a los surcos compactos; RCS131 es un sustituto de la junta tórica, que es resistente a la extrusión y la resistencia química, y se ha convertido en la opción preferida para la industria alimentaria y farmacéutica. Y RCS116/216 puede reparar rápidamente los cilindros viejos a través de la instalación del accesorio para reducir los costos de tiempo de inactividad.
La serie RCS ayuda a los clientes a sobrellevar la alta presión, la alta velocidad, los medios corrosivos y los desafíos especiales de la industria, y a mejorar la confiabilidad y la vida del equipo.
Características y aplicaciones del producto:
Los sellos de giro del sello de la varilla de pistón son adecuados para cilindros y cilindros hidráulicos, vehículos de ingeniería, maquinaria agrícola, grúas y equipos hidráulicos marinos, máquinas herramientas.
Utilizado en maquinaria industrial pesada, prensas, industria química, cilindros de aceite rápido y la industria alimentaria de maquinaria de posicionamiento, industria farmacéutica.
Ventajas
Los sellos de giro del sello de la varilla de pistón están integrados en el surco de manera estable, con un amplio rango de temperatura, un excelente rendimiento de sellado estático y dinámico y una fuerte capacidad de recuperación de aceite residual en condiciones dinámicas. Baja fricción, sin arrastre, alta resistencia al desgaste, bajos valores estáticos y de fricción, solo un buen rendimiento contra la extrusión, buena conductividad térmica y un amplio rango de temperatura.
Adecuado para varillas de pistón viejas, de tipo abierto, fácil de instalar.

RCS101
Tamaño de pedido
Φd ...... diámetro exterior
Φd ...... diámetro interno
L ...... ancho de la ranura
| Acabado superficial | R tmax (μm) | RA (μm) |
| Sellos de goma/poliuretano de la superficie deslizante Sellos de PTFE de superficie deslizante que coinciden | ≤2.5 ≤2 | ≤0.1-0.5 ≤0.05-0.3 |
| Fondo Surgimiento | ≤6.3 ≤15 | ≤1.6 ≤3 |
| Relación de longitud de soporte de perfil de TP | 50%-95% |
|
| Tolerancia | |
| ΦD | f8 |
| ΦD | H10 |
Ejemplo de pedido
Modelo: RCS101
Tamaño de la ranura: 100x115x10
Material: RC-PU-H

Tipo de sello: RCS101, RCS102, RCS103, RCS104, RCS205, RCS106, RCS107, RCS108, RCS117, RCS121
Aplicación principal: Adecuado para cilindros hidráulicos y neumáticos
Ventajas: incrustación estable en el surco, un amplio rango de temperatura, un excelente rendimiento de sellado estático y dinámico, una fuerte capacidad de extracción de aceite residual en condiciones dinámicas.
Material: poliuretano, goma
| Ejemplos de ritmo de sello | Las siguientes son dimensiones de ranura estándar (se pueden producir sellos de polvo de cualquier tamaño dentro del rango de tamaño) | ||||||||
![]() |
![]() |
ΦD | ΦD | L | C/S | Brecha de extrusión máxima | |||
| 100 bar | 250bar | 400bar | |||||||
| 5-24.9 | ΦD+8 | 6.3 | 4 | 0.50 | 0.35 | 0.25 | |||
| 25-49.9 | ΦD+10 | 8 | 5 | 0.50 | 0.35 | 0.25 | |||
| 50-149.9 | ΦD+15 | 10 | 7.5 | 0.50 | 0.35 | 0.25 | |||
| 150-229.9 | ΦD+20 | 14 | 10 | 0.50 | 0.35 | 0.25 | |||
| 300-499.9 | ΦD+25 | 17 | 12.5 | 0.50 | 0.35 | 0.25 | |||
| 500-699.9 | ΦD+30 | 25 | 15 | 0.50 | 0.35 | 0.25 | |||
| > 700 | ΦD+40 | 32 | 20 | 0.60 | 0.40 | 0.30 | |||
| > 1000 | ΦD+50 | 40 | 25 | 0.70 | 0.50 | 0.40 | |||

RCS109
Tamaño de pedido
Φd ...... diámetro exterior
Φd ...... diámetro interno
L ...... ancho de la ranura
|
Acabado superficial |
R tmax (μm) |
RA (μm) |
|
Sellos de goma/poliuretano de la superficie deslizante Sellos de PTFE de superficie deslizante que coinciden |
≤2.5
≤2 |
≤0.1-0.5
≤0.05-0.3 |
|
Fondo Surgimiento |
≤6.3 ≤15 |
≤1.6 ≤3 |
|
Relación de longitud de soporte de perfil de TP |
50%-95% |
|
|
Tolerancia |
|
|
ΦD |
f8 |
|
ΦD |
H10 |
Ejemplo de pedido
Modelo: RCS109
Tamaño de la ranura: 100x115.1x6.3
Material: PTFE3+NBR

Tipo de sello: RCS109
Aplicación principal: vehículos de ingeniería, maquinaria agrícola, grúas, equipos hidráulicos marinos, máquinas herramientas.
Ventajas: baja fricción, sin fluencia, alta resistencia al desgaste, solo un buen rendimiento contra la extrusión, buena conductividad térmica, ritmo de incrustación estable, amplio rango de temperatura.
Material: tetrafluoroetileno, goma de nitrilo o goma de flúor
|
Ejemplos de ritmo de sello |
Las siguientes son dimensiones de ranura estándar (se pueden producir sellos de polvo de cualquier tamaño dentro del rango de tamaño) |
||||||||
|
|
|
ΦD |
ΦD |
L |
C/S |
Brecha de extrusión máxima |
|||
|
100 bar |
200bar |
400bar |
|||||||
|
5-7.9 |
ΦD+4.9 |
2.2 |
2.45 |
0.30 |
0.20 |
0.15 |
|||
|
8-18.9 |
ΦD+7.3 |
3.2 |
3.64 |
0.40 |
0.25 |
0.15 |
|||
|
19-37.9 |
ΦD+10.7 |
4.2 |
5.35 |
0.40 |
0.25 |
0.20 |
|||
|
38-199.9 |
ΦD+15.1 |
6.3 |
7.55 |
0.50 |
0.30 |
0.20 |
|||
|
200-255.9 |
ΦD+20.5 |
8.1 |
10.25 |
0.60 |
0.35 |
0.25 |
|||
|
256-649.9 |
ΦD+24 |
8.1 |
12 |
0.60 |
0.35 |
0.25 |
|||
|
650-1000 |
ΦD+27.3 |
9.5 |
13.65 |
0.70 |
0.50 |
0.30 |
|||
|
> 1000 |
ΦD+38 |
13.8 |
19 |
1.00 |
0.70 |
0.50 |
|||

RCS110-112
Tamaño de pedido
Φd ...... diámetro exterior
Φd ...... diámetro interno
L ...... ancho de la ranura
|
Acabado superficial |
R tmax (μm) |
RA (μm) |
|
Sellos de goma/poliuretano de la superficie deslizante Sellos de PTFE de superficie deslizante que coinciden |
≤2.5
≤2 |
≤0.1-0.5
≤0.05-0.3 |
|
Fondo Surgimiento |
≤6.3 ≤15 |
≤1.6 ≤3 |
|
Relación de longitud de soporte de perfil de TP |
50%-95% |
|
|
Tolerancia |
|
|
ΦD |
f8 |
|
ΦD |
H10 |
Ejemplo de pedido
Modelo: RCS110-112
Tamaño de la ranura: 100x120x32
Material: RC-PU-H+POM

Tipo de sello: RCS110-112, RCS126-128
Aplicación principal: para maquinaria industrial pesada, prensas
Ventajas: Adecuado para varillas de pistón viejas, tipo abierto, fácil de instalar Creeper
Material: poliuretano, polioximetileno, nylon
|
Ejemplos de ritmo de sello |
Las siguientes son dimensiones de ranura estándar (se pueden producir sellos de polvo de cualquier tamaño dentro del rango de tamaño) |
|||||
|
|
|
ΦD |
ΦD |
L |
C/S |
|
|
10-39.9 |
ΦD+10 |
16 |
5 |
|||
|
40-74.9 |
ΦD+15 |
25 |
7.5 |
|||
|
75-149.9 |
ΦD+20 |
32 |
10 |
|||
|
150-199.9 |
ΦD+25 |
40 |
12.5 |
|||
|
200-299.9 |
ΦD+30 |
50 |
15 |
|||
|
300-599.9 |
ΦD+40 |
63 |
20 |
|||
|
> 600 |
ΦD+40 |
80 |
20 |
|||
|
> 1000 |
ΦD+50 |
100 |
25 |
|||

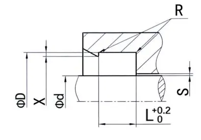
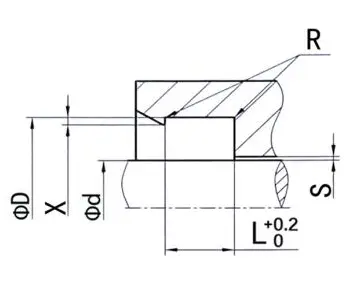
RCS119
Tamaño de pedido
Φd ...... diámetro exterior
Φd ...... diámetro interno
L ...... ancho de la ranura
|
Acabado superficial |
R tmax (μm) |
RA (μm) |
|
Sellos de goma/poliuretano de la superficie deslizante Sellos de PTFE de superficie deslizante que coinciden |
≤2.5
≤2 |
≤0.1-0.5
≤0.05-0.3 |
|
Fondo Surgimiento |
≤6.3 ≤15 |
≤1.6 ≤3 |
|
Relación de longitud de soporte de perfil de TP |
50%-95% |
|
|
Tolerancia |
|
|
ΦD |
f8 |
|
ΦD |
H10 |
Ejemplo de pedido
Modelo: RCS119
Tamaño de la ranura: 100x109.4x7.1
Material: PTFE2+NBR

Tipo de sello: RCS119
Aplicación principal: industria química, cilindros rápidos y maquinaria de posicionamiento. Industria alimentaria, industria farmacéutica.
Ventajas: resistente a altas temperaturas y diversos medios químicos, coeficiente de baja fricción, sin fluencia, buenas características de fricción seca, valores de baja estática y de fricción.
Material: PTFE+Spring de hoja
|
Ejemplos de ritmo de sello |
Las siguientes son dimensiones de ranura estándar (se pueden producir sellos de polvo de cualquier tamaño dentro del rango de tamaño) |
|||||||||
|
|
|
ΦD |
ΦD |
L |
R |
X |
Brecha de extrusión máxima |
|||
|
100 bar |
200bar |
400bar |
||||||||
|
10-19.9 |
D+4.5 |
3.6 |
0.4 |
0.6 |
0.15 |
0.10 |
0.07 |
|||
|
20-39.9 |
D+6.2 |
4.8 |
0.6 |
0.7 |
0.20 |
0.15 |
0.08 |
|||
|
40-119.9 |
D+9.4 |
7.1 |
0.8 |
0.8 |
0.25 |
0.20 |
0.10 |
|||
|
120-1000 |
D+12.2 |
9.5 |
0.8 |
0.9 |
0.30 |
0.25 |
0.12 |
|||
|
> 1000 |
D+19.0 |
15 |
0.8 |
0.9 |
0.50 |
0.40 |
0.20 |
|||



















































































DIRECCIÓN
No.1 Ruichen Road, Parque Industrial Dongliuting, Distrito Chengyang, Ciudad de Qingdao, Provincia de Shandong, China
Teléfono
Correo electrónico